MOTOR DE PROCESARE A SEMNALELOR ŞI EVENIMENTELOR

Price not visible for this package

Interest:

Assignment

Publication info:

No.: RO133453

Date: 28.06.2019

Inventor(s):

MANGELS TATIANA [DE]

PUIU DAN [RO]

ROSHCHIN MIKHAIL [DE]

ŞTEFAN IOANA [RO]

FISHKIN ALEXEY [DE]

Applicant(s):
SIEMENS AG [DE]
SIEMENS S R L [RO]
Classification:
International patent classification (IPC):
G05B19/05

Cooperative patent classification (CPC):
G05B19/042 (EP); G05B19/0421 (US); G05B19/0423 (US); G05B19/05 (EP); G05B19/054 (US); G05B19/4185 (EP, US); G06F16/24568 (EP, US); Y02P90/02 (EP)
Application info:
No.: RO20170001175
Date: 28.12.2017
Priority number(s):
RO20170001175 28.12.2017
Related patents:
CN111742271; EP3710898; US11307548; US2020363781; WO2019129629
BOPI:
Description:

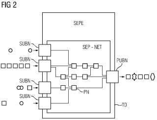
Invenţia se referă la un motor de procesare a semnalelor şi evenimentelor, care poate fi instalat şi executat pe un dispozitiv ţintă (TD) al unui sistem industrial (1), motorul de procesare (SEP), conform invenţiei, cuprinzând noduri de abonat (SUBN) adaptate să recepţioneze fluxuri de date de semnale şi/sau evenimente (SE), din surse ale sistemului industrial (1) menţionat, noduri de procesare (PN) adaptate să efectueze operaţii funcţionale ale unui limbaj de procesare a semnalelor şi evenimentelor (SEPL) asupra fluxurilor de date recepţionate, conform unui script al limbajului de procesare a semnalelor şi evenimentelor (SEPL) al motorului de procesare (SEP) menţionat, în care scriptul (SEPL) include operaţii de potrivire a modelelor de date sau evenimente pentru generarea de fluxuri de date de semnale şi/sau evenimente (SE) rezultate, şi noduri de editor (PUBN) adaptate să retransmită fluxurile de date de semnale şi/sau evenimente (SE) rezultate, generate la ramificaţiile sistemului industrial (1) menţionat.

cover